摘要:通过升级核心主控实现蓝牙5.0和USB连接,同时解决键盘连击的问题,还可以通过图形化方式定制键位。
很久之前买的Filco 87蓝牙双模青轴键盘,手感跟不错,电池续航有很久。美中不足的是无论蓝牙还是USB有线连接偶尔会出现卡住某个按键连续触发的情况。后来联系客服维修需要一个星期,当时觉得可能是蓝牙干扰问题就没有寄回去维修。
后来键盘闲置了很久,拆开研究了一下发现里面有一块独立控制板,负责蓝牙和USB通信,蓝牙芯片是3.0版本,抗wifi干扰能力比较差,遂萌生了自己设计控制电路替换掉控制板的想法。

控制板

键盘主板
通过万用表分析电路矩阵,绘制出表格

二极管方向决定了按键扫描方式是row2col,也就是先行扫描,再列扫描。
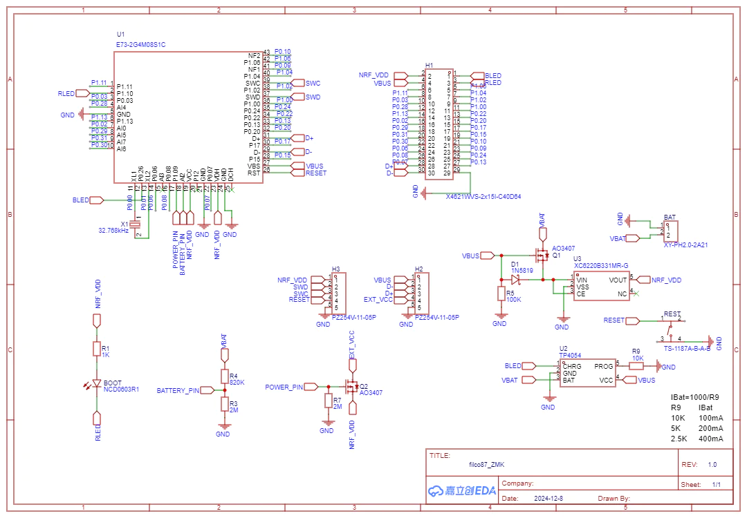
接下来设计电路图,主要是根据nrf52的方案E73模组进行设计。

经过几次嘉立创打样,完成了最终设计。


E73-2G4M08S1C模组需要使用J-LINK刷bootloader,预留了SWD调试接口和USB测试接口。也可以使用DAPLINK通过命令行刷bootloader。刷过bootloader后就可以实现通过USB接口升级固件。
电路板上有锂电池充电芯片,使用的是850mAh 14500锂电池,与5号电池尺寸一样,电池保护板在正极,正好能放到电池仓。

经过测试,蓝牙功能和USB工作正常,锂电池充电正常,蓝色指示灯指示充电状态,原来的小开关可以断开锂电池的连接避免过度充电。
zmk studio可以实现通过USB实时修改键位。

固件代码开源在->github,需要固件和控制板可以通过github留言联系我。
相关链接:
https://github.com/marskid/zmk-config